Your cart
Non ci sono più articoli nel tuo carrello
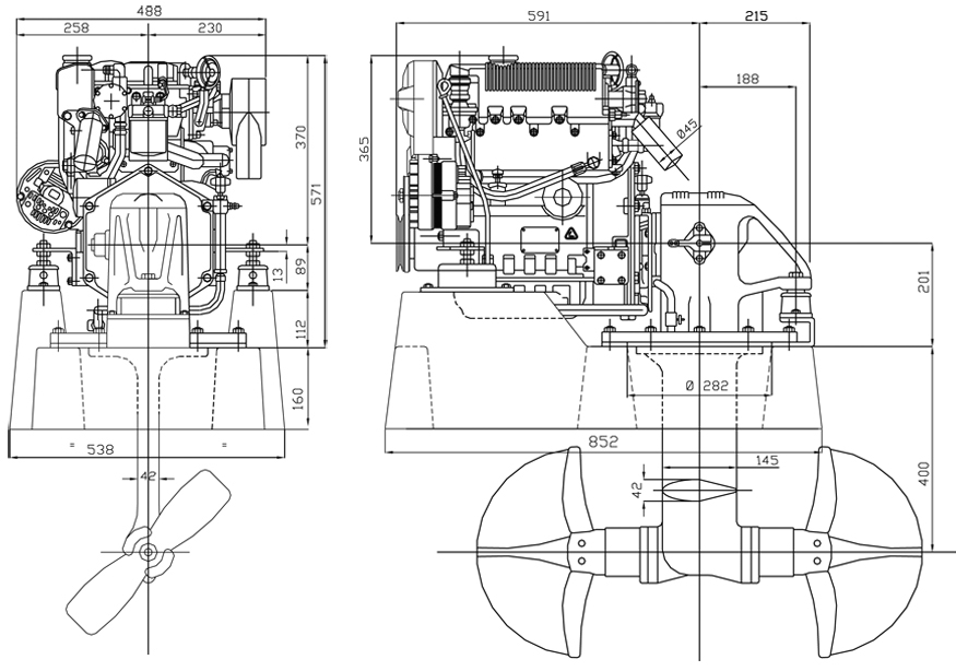
Motore marino Lombardini LDW 1003 SD
Ultimi articoli in magazzino
7.319,67 €
Tasse incluse
Motore entrobordo diesel Lombardini Marine serie SD LDW 1003
Motore marino entrobordo diesel a 4 tempi con sistema di trasmissione Saildrive. Questo motore Lombardini Marine a 3 cilindri da 30 hp, con raffreddamento a liquido tramite scambiatore di calore, per robustezza ed affidabilità, oltre che per compattezza e leggerezza, trova la sua ideale collocazione su imbarcazioni a vela e da regata, grazie soprattutto all’innovativo sistema di trasmissione a piede S-Drive.
Ricambi motore Lombardini Marine LDW 1003 SD

