Contattaci su Whatsapp
Motore Kohler KD15 440S

Motore Kohler KD15 440S

Ultimi articoli in magazzino
1.869,00 €
Tasse incluse

Motore diesel Kohler serie KD15 modello 440S

Il motore diesel Kohler KD15 440S è un motore a quattro tempi, monocilindrico, raffreddato ad aria. Differisce dal KDW 440 per il fatto di essere un motore sinistro, ovvero nello specifico, l’albero motore ruota in senso antiorario. La cilindrata è di 441 cm³ mentre la potenza dichiarata di 6,8 kW. Per caratteristiche peculiari quali, versatilità, compattezza e affidabilità, risulta essere un motore che trova ampio utilizzo in diversi campi applicativi, sia agricoli che industriali. Ad esempio montato come motore per: motozappa, motocoltivatore, taglia erba, pompa acqua per irrigazione, betoniera, mini dumper, rullo compattatore, piastra vibrante, taglia asfalto, traccialinee, pompa acqua autoadescante, compressore d’aria, gruppo elettrogeno, saldatrice, motoscopa,  piattaforma aerea, idropulitrice, pompa antincendio.

 

Manuale Uso e Manutenzione Kohler KD 440 s Manuale Officina Kohler KD 440 s (EN)

 
  • Applicazioni principali

    Motozappa
    Motocoltivatore
    Tosaerba
    Pompa acqua (Irrigazione)
    Betoniera per calcestruzzo
    Minidumper
    Rullo compattatore
    Piastra vibrante
    Tagliapiastrelle
    Line Striper
    Pompa acqua autoadescante
    Compressore d'aria
    Gruppo elettrogeno
    Saldatore
    Spazzatrice
    Piattaforma aerea
    Compressore acqua ad alta pressione
    Pompa antincendio
    Vantaggi

    Bassa rumorosità
    Densità ad alta potenza
    Basso peso
    Basso consumo di carburante
    Basso consumo di olio
    Una gamma completa di accessori
  • Motore diesel 4 tempi raffreddato ad aria
    Presa di forza conica sull'albero motore
    Rotazione antioraria
    Lubrificazione forzata con pompa dell'olio
    Regolatore di massa centrifugo
    Filtro olio a flusso totale incorporato
    Soffio d'olio con dispositivo di sicurezza
    Dispositivo automatico per l'avviamento di carburante extra
    Sistema di alimentazione auto-sanguinante
    Regolatore di coppia
    Rilascio automatico della compressione
    Basamento in alluminio pressofuso con rivestimento interno in ghisa integrale
    Testata in alluminio
    Piedini rigidi integrati
    Punterie idrauliche
    Cilindri 1
    Alesaggio (mm) 86
    Corsa (mm) 76
    Cilindrata (cm3) 441
    Tipo d’iniezione DI
    Rapporto di compressione 20.5:1
  • Curve di potenza motore Kohler KD15 440s
    Conformità normativa emissioni -
    Potenza (kW/HP)*curve potenza
    N (80/1269/CEE)ISO 1585 7.3/10.0
    NB ISO 3046 IFN 6.8/9.2
    NA ISO 3046 ICXN 6.2/8.4
    Coppia massima (Nm@giri/min) 22.5@2100
    Regime min. a vuoto (giri/min) 1150
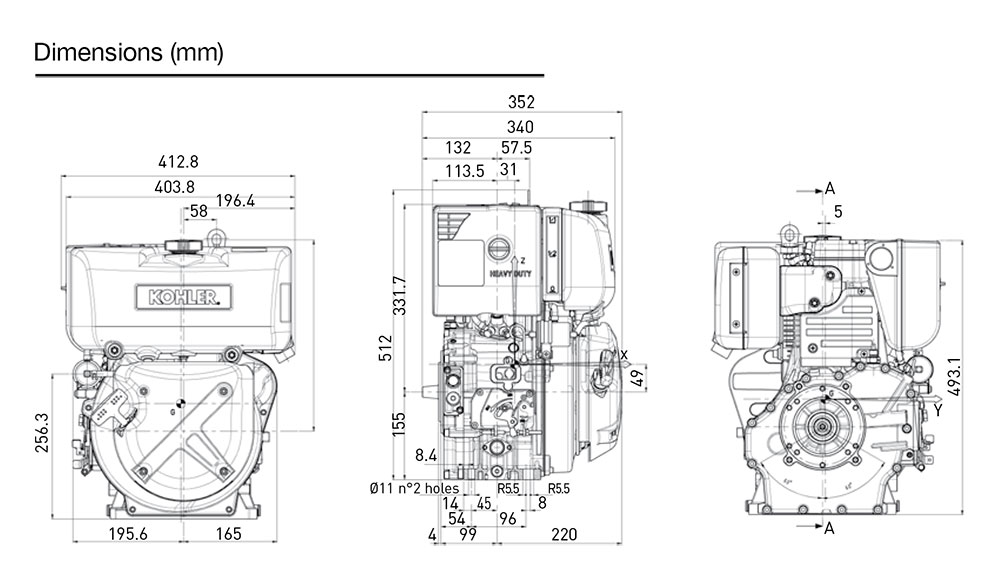
  • A × L × P (ventola esclusa) (mm) 493.1 × 412.8 × 352
    Peso a secco (kg) 45
    Lato manutenzione – posizione lato unico
    Temperatura ambiente d’utilizzo (°C) -10° a +50°
    Massima inclinazione ammissibile
    (intermittente - 30 min) (gradi)
    25°
    Massima inclinazione ammissibile
    (tempo massimo -1min) (gradi)
    35°
    Portata aria combustione @3600 l/min 640
    Portata aria raffreddamento @3600 (l/min) 5500
    Dimensioni motore Kohler KD15 440s
  • Capacità serbatoio (l) 4.3
    Capacità olio lubrificante (l) 1.2
    Consumo olio (kg/h) 0.0032
    Intervallo sostituzione olio (ore) 250
    Intervallo sostituzione filtro olio (ore) 500
    Intervallo sostituzione filtro aria a secco 500
    Intervallo registrazione gioco valvole (ore) 500
    Lubrificante SAE 5W 40 API SERVICE CF
1 Articolo
No reviews
Product added to compare.

Delta Service utilizza cookie funzionali ed analitici. Cliccando su "Accetta", confermi di aver letto la nostra Informativa sui Cookie