Your cart
Non ci sono più articoli nel tuo carrello
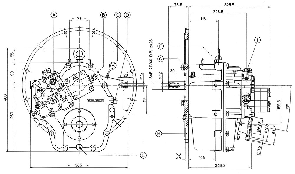
Invertitore Idraulico TM 170 A
Non disponibile
2.839,00 €
Tasse incluse

L’invertitore marino TM 170 A Twin Disc Technodrive dispone di frizioni a dischi multipli a comando idraulico. Le frizioni e gli ingranaggi sono dimensionati in modo da poter trasmettere la piena potenza, con lo stesso rapporto, sia in marcia avanti che in retromarcia. L’inclinazione di 10° dell’albero di uscita consente un posizionamento favorevole del gruppo motore invertitore su imbarcazioni plananti e semi plananti.
OPTIONAL:
- Campane SAE 3 - SAE 4 - BW
- Giunti 10” - 11,5”
- Staffa supporto cavo di comando
- Scambiatore
- Trolling valve
- Staffe
- Controflangia
- Selettore elettrico
