Your cart
Non ci sono più articoli nel tuo carrello
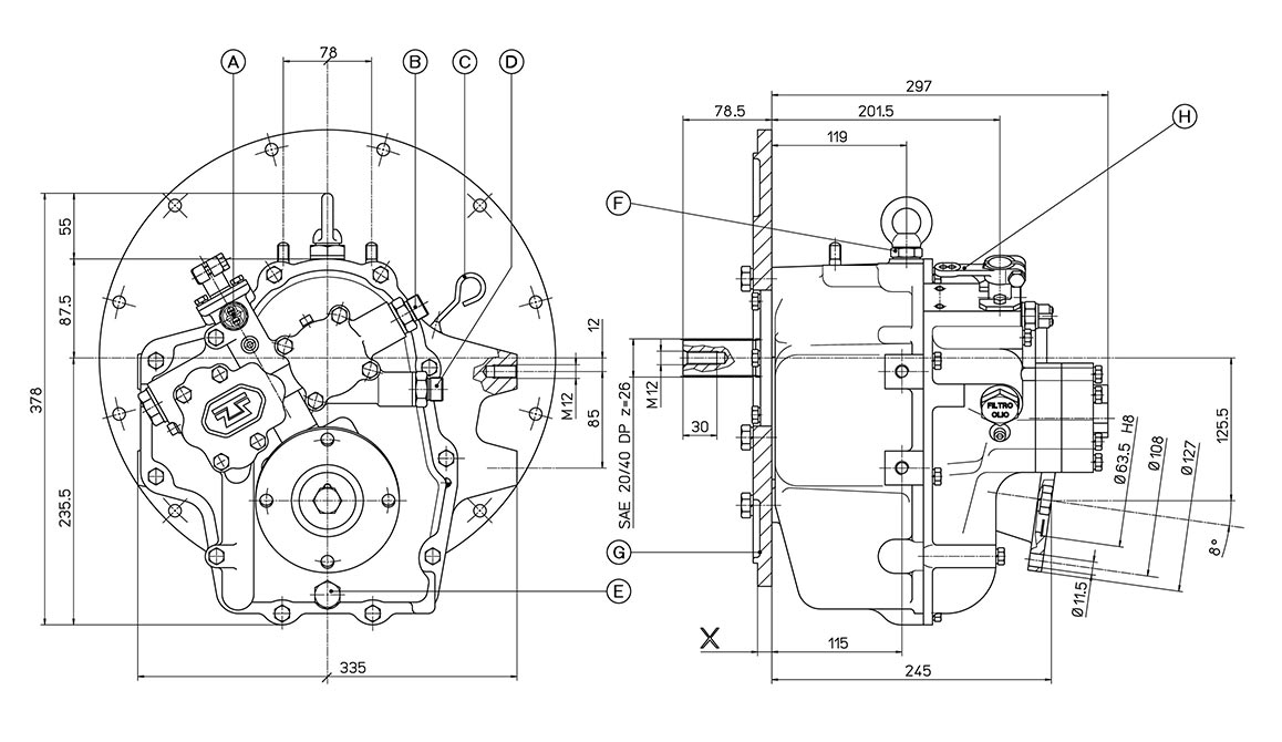
Invertitore Idraulico TM 93 A
Non disponibile
2.464,00 €
Tasse incluse

L’invertitore marino TM 93 A Twin Disc Technodrive dispone di frizioni a dischi multipli a comando idraulico. Le frizioni e gli ingranaggi sono dimensionati in modo da poter trasmettere la piena potenza, con lo stesso rapporto, sia in marcia avanti che in retromarcia. L’inclinazione di 8° dell’albero di uscita consente un posizionamento favorevole del gruppo motore invertitore su imbarcazioni plananti e semi plananti.
OPTIONAL:
- Campane SAE 3 - SAE 4 - BW
- Giunti 10” - 11,5”
- Staffa supporto cavo di comando
- Scambiatore
- Trolling valve
- Controflangia
- Selettore elettrico

| POTENZA MAX MOTORE KW | |||
| DIPORTO | INTERMEDIO | CONTINUO | |
|
RAPPORTO M. AVANTI |
2600 0RPM - 3300 RPM | 2100 RPM - 2800 RPM | 1800 RPM - 2400 RPM |
| 1,51 | 128-162 | 79-106 | 47-63 |
| 2,09 | 106-135 | 66-88 | 39-52 |
| 2,40 | 93-117 | 57-76 | 34-45 |
Velocità massima motore: 4500 Rpm
Potenza massima motore: 180 Kw
Peso a secco: 53 Kg
Quantità olio: 2,4 L.
Tipo di olio: sae 15w40
No reviews