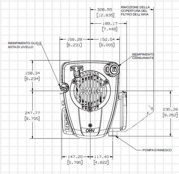
Motore Kohler XT-6
Motore benzina Kohler serie Courage modello XT-6
L’XT-6 è un motore a benzina 4 tempi monocilindrico con potenza massima sviluppata di 3.5 kW. Si presenta con albero motore verticale ed è stato progettato con valvole in testa in grado di aumentarne l’efficienza e diminuirne le emissioni. Caratterizzato da cuscinetti da banco e struttura in ghisa, questo motore Kohler garantisce prestazioni soddisfacenti in rapporto alla semplicità delle operazioni di manutenzione. Trova generalmente applicazione in campo agricolo su motozappe, motocoltivatori, motopompe, rasaerbe e falciatrici.
Vai al Catalogo Motori Kohler
Manuale di Servizio Kohler XT-6 (EN) Manuale Officina Kohler XT-6 (EN)
-
Tutti i pezzi, i componenti e i sistemi dei nostri motori sono sostenuti dai nostri esclusivi standard di Performance Engineering. Prendete ad esempio la tecnologia del nostro Smart-Choke™. Disponibile sui motori Courage® XT-Series, lo Smart-Choke, non richiede alcuno sforzo di avviamento, e per questo elimina i rischi di ingolfamento del motore. Basta semplicemente tirare l’avviamento a strappo - oppure, per i motori ad avviamento elettrico, girare semplicemente la chiave - e si è pronti a partire. Questo grazie allo Smart-Choke KOHLER, che regola automaticamente la quantità di carburante necessaria per avviare il motore. Prodotti come lo Smart-Choke sono il nostro marchio distintivo, ed un motivo in più per fidarsi della reputazione di leader mondiale della KOHLER®.
Realizzati nell’unico modo che conosciamo. Da oltre 75 anni, Kohler soddisfa le vostre aspettative con motori dalle caratteristiche tecniche sempre più avanzate: dalla camicia mobile del cilindro in ghisa fino al robusto albero a gomito forgiato.
I nuovi motori della gamma Courage® XT-Series sono forti, affidabili e ad uso commerciale. I motori lavorano sodo ma l’operatore no, questo grazie ad un’ampia gamma di caratteristiche pensate per l’operatore tra cui l’avviamento con cuscinetto a sfera liscio e il grande bocchettone per il rifornimento carburante.
Design della valvola in testa. Combustione super-efficiente per una performance fluida e potente, caratterizzata da un consumo di carburante inferiore e da emissioni più pulite.
Camicia mobile del cilindro in ghisa per uso commerciale Per una durata ed una vita del motore più lunghe, le camicie in ghisa sono elementi di serie e non degli optional.
Robusto albero a gomito forgiato. Forgiato – non fuso – per una resistenza alla trazione superiore e minori probabilità di guasti. Più robusto, per carichi pesanti e falciature in condizioni particolarmente difficili.
Cuscinetto volano. Riduce lo sfregamento e lo sforzo di trazione, per un avviamento semplice e veloce, fornisce una lubrificazione extra per la falciatura in ogni angolo.
Ampio bocchettone del serbatoio carburante. Dal semplice riempimento, con minori fuoriuscite. Il sistema permette un semplice controllo del livello del carburante da parte dell’utente. Un’altra esclusiva KOHLER.
-

Regime di coppia netto @ 2600 rpm - ft lb (Nm) 5.9 (8) Massima potenza netta @ 3600 rpm - hp (kW) 3.5 (2.6) Alesaggio (mm) 65 Corsa (mm) 45 Cilindrata (cm3) 149 Rapporto di compressione 8.3:1
-
L x W x H (mm) 406 x 336 x 274 Peso a secco (kg) 10.8 Capacità carburante (L) 1.1 Capacità Olio (l) 0.6 Lubrificazione a spruzzo Arricchimento Innesco o Smart-Choke™ Avviamento A strappo 



