Contattaci su Whatsapp
Motore Kohler CH440

Motore Kohler CH440

Last items in stock
€655.74
VAT included

Motore benzina Kohler serie Command PRO Small Horizontal modello CH440

Il Kohler CH440 è un motore a benzina progettato con valvole in testata, rivestimento interno in ghisa e basamento in alluminio. È un motore monocilindrico con albero motore orizzontale che sviluppa una potenza massima di 3.5 kW. Come tutti i motori benzina Kohler Command PRO Small Horizontal, il CH440 impiega la tecnologia Quad-Clean: innovativo sistema di filtraggio dell’aria ad andamento ciclonico che garantisce le migliori prestazioni in ogni condizione metereologica. I campi di applicazione per uso professionale sono molteplici, trovando particolare successo come motore per motozappa e gruppo elettrogeno.

 

Vai al Catalogo Motori Kohler

 

Manuale di Servizio Kohler CH 440 (EN) Manuale Officina Kohler CH 440 (EN)

 
  • Monocilindrico
    Valvole in testa
    Raffreddamento ad aria
    Benzina
    Asse orizzontale
    Testata in alluminio
    Carter con camicia del cilindro in ghisa
    Lubrificazione a schizzo
    Alesaggio a (mm) 89
    Corsa a (mm) 69
    Dislocamento (cc) 429
    Rapporto di compressione 8:1
  • Curve di potenza massima motore Kohler CH440
    Curve di coppia massima motore Kohler CH440
    Potenza Lorda @3000 rpm in Cv 9.6
    Potenza Lorda @4000 rpm in Cv 10.5
    Coppia massima Nm @ rpm 30.8 @ 2800 rpm
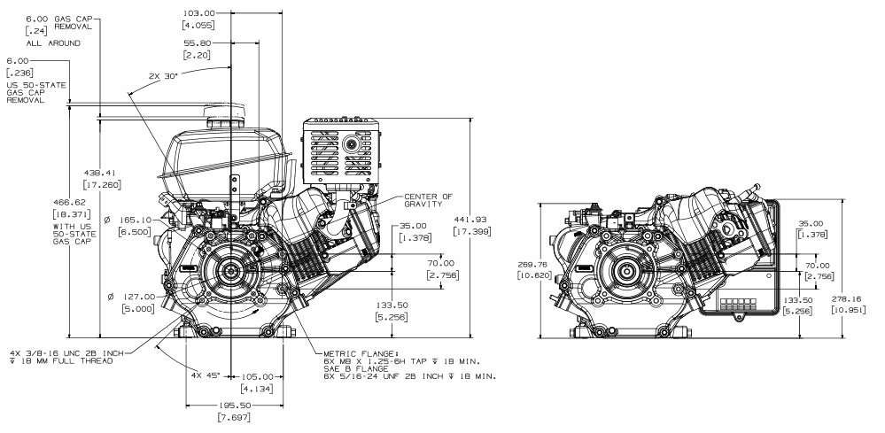
  • Dimensioni A x L x P  (mm) 411 x 452 x 442
    Peso a secco (kg) 33
    Capacità Coppa Olio (L) 1.3
    Capacità serbatoio Carburante (L) 7.4
    Albero Motorore Altezza (mm) 133.5
    Dimensioni motore Kohler CH440
    Dimensioni motore Kohler CH440
    Dimensioni motore Kohler CH440
1 Item
No reviews
Product added to compare.

iqitcookielaw - module, put here your own cookie law text